Digital macroscopy on a shoestring

by John S. Wojtowicz, US


 

Digital imaging has been around long enough now that bargains in used equipment can be found with a little searching and in some cases, soldering. The old style security cameras that were about a foot long and weighed several pounds can be had quite cheaply, but a better find for the frugal microscopist might be a CCD based machine vision camera just a few years old. CCD sizes are decreasing, allowing more compact designs built around 1/2" or even 1/3" chips for the same number of pixels. The newest cameras can be made quite small, in fact smaller than we microscopists really need. The standards I mention are American, but the same general reasoning applies for British equipment.

The Frugal CCD Camera

My own camera is a Panasonic 552 which has a 2/3" black and white chip. While color might be desirable, the B&W cameras yield far better resolution in the same price category, in this case 570 lines at center as opposed to 430 for a single chip color camera. At least that seems to be true for new cameras. The situation with used cameras is probably more variable. So what makes a bargain? A camera in clean condition that is not at the end of its useful life. I am told that after a number of years the capacitors in the camera fatigue, thus reducing the light sensitivity. So it is important to buy from a reputable used equipment dealer. But remember that these cameras are designed to operate continuously, so the total hours that a microscopist is likely to put on a camera is negligible compared to its design requirements.

Another part of the bargain might be that the camera came with some odd and unmatchable connector. Mine had some sort of 12 pin arrangement. Since I did not require external controls, all I needed to have wired up were the two power leads and the coaxial video output, just four connections soldered into a DIN plug. These wires are all very small and it is a difficult soldering job for the beginner. The power supply had to be a 12V 260mA or better Class 2. In other words, a wall wart from the local Radio Shack store. These can also be found surplus, but it is very important to use the newer Class 2 type. The older, less regulated power sources can easily ruin the camera. The total cost of the camera, power supply, connectors, and coaxial cables was about $150 US.

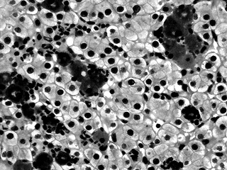
These two photos were taken with a 26mm Bell & Howell c-mount lens.




This is my usual setup with the 13mm Wollensak lens mounted backwards. The variable bellows extension provides a range of magnifications, and the rack and pinion that moves the entire thing makes for easy focusing.



Here I've taken the cover off so you won't be tempted to risk yours. Like a tiny computer, there is a motherboard of sorts with a number of circuits that plug into it. The capacitors are on the rearward board.

The Frugal Monitor

The output of the camera is composite video. One can view images on a television by going through the line-in connection on a VCR, or one could use something like an old Apple II monitor directly. While very cheap, both of these options suffer from low resolution. With an appropriate video card, the signal can be fed directly into a computer for video capture images. For stand alone applications, the best images are obtained with a dedicated b&w video monitor since their resolution at 700 lines or better exceeds most color computer screens. With some hunting, these can also be found surplus. Whatever you end up doing, the easiest way to determine the actual magnification is to image an object of known size. This is especially true for web publication since there is no way of knowing the specifications of the viewer's monitor.

The Frugal Lens

Naturally, one could plant the camera on top of a microscope. For low magnification work however, there are many available options. With a camera lens that has manually adjustable f-stops, the Panasonic 552 behaves as an aperture-priority autoexposure unit, automatically setting the "shutter speed" between 1/125 and 1/10,000 in seven steps. This camera, like most of its ilk, uses a C-mount for lens attachment. At a price, C-mount to 35mm camera lens adapters are available. Extension tubes or bellows can be added to yield magnifications well beyond the 1:1 of the typical macro lens. Since the chip is much smaller than the 35mm film format, one is restricted to the best part of the lens, and the image quality can be very good even with modest lenses. With a macro lens, so much the better, and don't forget that enlarging lenses are designed to work at close distances.

Image taken with video camera and a 50mm El-Nikkor enlarging lens attached to a Canon FL photographic extension bellows. The shell is about 8mm wide.

The C-mount standard is pretty much the same as the cine standard, and a 2/3" chip is almost the same size as a 16mm movie frame, so with a small thickness of shim to maintain infinity focus, old 16mm movie camera lenses work very well at considerably less bulk than 35mm equipment. The "normal" lens in that format is 26mm focal length, and many of these lenses have long focusing travel. My 40 year old Bell & Howell goes from infinity down to one foot, and macro work can be easily done with an extension tube. In shopping old movie cameras, one has to be careful that the lens is in fact, a C-mount. Many of the old Kodak cameras used a bayonet system. The reality is that old cheap 16mm movie equipment is getting hard to find, and the really professional used stuff is still expensive. But bargains do turn up in odd places.

If one is primarily interested in low magnification work, the best values are to be had in old high quality 8mm movie camera lenses, such as Wollensak Raptars or Steinheil, Kodak Ektar, Bolex, Angineux, Fujinon etc. In any event you want the ones with adjustable f-stops in the lens. Many cheaper 8mm movie cameras neglected them. Because of the lens extensions involved there is adequate coverage for the 2/3" CCD chip. I very simply made up some plastic disks to attach the lenses to T-mount adapters. 26 and 32mm focal length lenses were mounted forward, and the optical quality appears to be fine. The 13mm lens was mounted reversed due to the relatively long entension involved. These are used with a bellows I already owned. Since I wasn't concerned with a fixed spacing, rather than buying a C-mount adapter, I simply drilled out a rear lens cap and bolted it onto the camera.

I support the camera on a photographic copystand which is much easier to use than a photographic tripod with the center column reversed. The objects in the pictures were mounted on top of a masked off enlarger illuminator.

Image right and below are sections of an Amphiuma (Congo eel or salamander) liver.

Image right: 13mm Wollensak Raptar lens at maximum bellows extension.

Image left: 26mm Wollensak Raptar lens at minimum bellows extension.

So there you have it. Call it bargain hunting, bottom fishing, dumpster diving, or technological recycling. What your video photomacrographic equipment will end up looking like depends on what turns out to be easiest for you. There are many routes to imaging quality, and the journey is a good part of the fun.

A reputable source for the Panasonic 552 camera is:
http://members.aol.com/brigar2/brigar.html
Brigar Electronics
7-9 Alice St.
Binghamton, NY 13904
Tel. (607)-723-3111

Comments to the author Comments to the author sent via our contacts page quoting page url plus : ('jwojtowicz','')">John S. Wojtowicz welcomed.

Editor's notes:

Old cine lenses, projector lenses etc can also be used in variety of combinations for portable field microscopes. See Micscape Topical Tips 2 and Topical Tips 3, contributed by Chuck Huck, US.

The use of 35mm SLR lenses on a video camera to capture macro images is described in the article 'Capturing Images of Nature in Close-up for the Web'.

A useful UK supplier of a wide variety of adaptors including those to use cine and enlarger lenses for macro work is SRB Film Service who also offer a custom adaptor service.

 

Microscopy UK Front Page
Micscape Magazine
Article Library


© Microscopy UK or their contributors.

Published in the August 1999 edition of Micscape Magazine.

Please report any Web problems or offer general comments to the Micscape Editor,
via the contact on current Micscape Index.

Micscape is the on-line monthly magazine of the Microscopy UK web
site at Microscopy-UK



© Onview.net Ltd, Microscopy-UK, and all contributors 1995 onwards. All rights reserved. Main site is at www.microscopy-uk.org.uk with full mirror at www.microscopy-uk.net.



Micscape ran from 1995 and continued until after 2024. The Quekett Microscopical club has agreed with the original owners to become the permanent custodians of the work produced.